
Descriere produs:
Grupul Geberit este lider de piaţă la nivel european în domeniul produselor din sectorul sanitar și beneficiază de o experiență îndelungată încă din 1964, când a creat primul rezervor încastrat.
Seria de ceramică și mobilier pentru baie Geberit Selnova oferă obiecte sanitare cu linii simple, într-o geometrie lină și muchii fluide.
Elementele colecției pot fi integrate în orice spațiu de baie, fiind cea mai completă gamă a brandului.
Mobilierul respectă geometria clară și rotunjirile ușoare, este rezistentă la umezeală și este disponibilă în 4 culori: Nuc american deschis, Nuc american inchis, Lava mat si Alb lucios
Gama Geberit Selnova este gandită pentru a permite și amenajarea băilor mici, cu respectarea condițiilor de confort și libertate de miscare.
Cu un raport preț calitate deloc de neglijat, colecția Selnova este ideală pentru amenajarea unei băi stilate si moderne, care indeplineste toate cerintele de functionalitate.
Setul este format din:
1. Lavoar Geberit Selnova Square
Caracteristici:
- material: argilă refractară fină (suprafață mai plană și mai netedă decat la alte lavoare)
- margine subțire (slim rim)
- orificiu central pentru baterie
- prevazut cu preaplin
Specificatii:
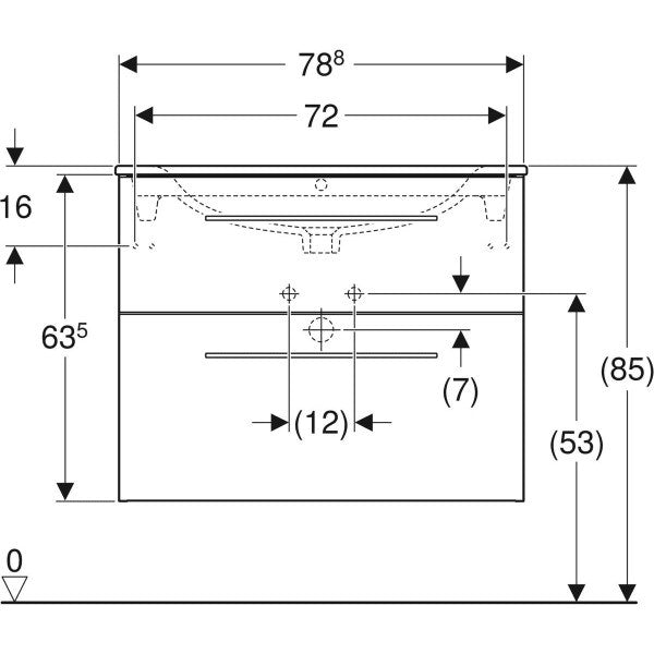
Dimensiuni: 800x480xH168 mm
Material: ceramica
Finisaj: alb
2. Baza lavoar Geberit Selnova Square
Caracteristici:
- material lemnos triplu stratificat
- rezistent la umiditate
- canturile lipite cu PUR (Polyurethane Reactive) oferă rezistență perfectă la apă și aburi
- uși soft close ( cu închidere lentă)
- sertare cu retragere automată
- feronerie Camar Italia cu garanție pe viața mobilierului
- se poate combina cu dulapurile cu oglindă Selnova Square de 60 cm, 80 cm si 100 cm, împreună cu accesoriile din gamă
Specificații:
Dimensiuni: 788x480xH635 mm
Finisaj: antracit
Montaj: suspendat
Deschidere cu mâner
Margine subțire
Livrat asamblat
Cu două sertare
*Lista elementelor livrate
- Lavoar
- Mobilier pentru lavoar mobilier
- Mâner
- Material de fixare
*Notă: Bateria de lavoar, setul de picioare pentru montaj pe pardoseală și alte accesorii se achizitionează separat!