
Descriere produs:
Set format din:
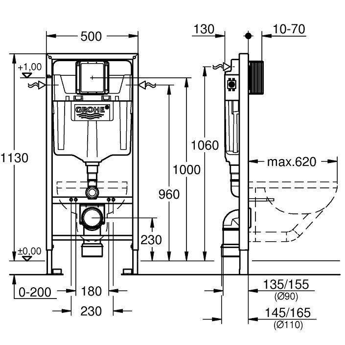
1. Rezervor incastrat WC cu cadru Grohe Rapid SL (38528001)
Dimensiuni: 500xH1130 mm
Diametru reductor: Ø90/110 mm
Material cadru: otel
Caracteristici:
- instalare: pe perete sau pereti de compartimentare
- cadru autoportant
- placare uscata, complet preasamblat
- racorduri fixe
- ajustare rapida, blocabila
- elemente de fixare
- 2 bolturi de fixare pentru WC
- dispozitiv de fixare pentru ceramica
- cot de iesire: Ø90 mm
- adancime ajustabila
- set alimentare si evacuare
- volum setat din fabrica: 6/3 l
- ventil pneumatic de evacuare cu 3 moduri de operare: spalare lunga/scurta si start/stop
- alimentare cu apa: lateral (stanga/dreapta) sau spate
- izolat impotriva condensului
- grup acustic: I
- conexiune ½
- furtun flexibil filetat
- montaj gura de vizitare: orizontal/vertical
Caracteristici si Tehnologii Grohe:
Whisper
Tehnologie inovatoare care impiedica orice transmitere a sunetului in incaperile alaturate, prin nivel de zgomot redus la numai 21 dB.
EcoJoy
Tehnologie de economisire a apei pana la 50% prin sistemul de spalare prevazut cu 2 butoane pentru selectia volumului de apa: 3/6 litri sau 3/4.5 litri (in functie de corpul ceramic) si posibilitatea opririi fluxului de apa prin apasarea butonului mic a placii de actionare.
Spare Flush
Volum de spalare suplimentar de 3 litri, fata de volumul obinuit de 6 litri (sau 4.5 in functie de corpul ceramic), asigura o spalare eficienta, chiar si in cazul cladirilor cu instalatii sanitare vechi.
ToolFree
Conectare usoara a sistemului, nefiind necesare unelte pentru conexiune la apa, furtun flexibil si arbore de inspectie.
QuickFix
Sistem de instalare rapid
Safety
Stabilitatea sistemelor de instalare Rapid SL pentru toalete si lavoare, au fost testate si autorizate, garantand siguranta si capacitatea de a sustine sarcini de peste 400 kg (vase WC), respectiv pana la 150 kg (lavoare).
Universal Platform
Placa de baza ce ofera compatibilitate cu toate placile de actionare Grohe (peste 130 de modele), acestea putand fi instalate vertical sau orizontal, fara a fi necesar utilizarea uneltelor.
VarioPort
Conexiune la apa indiferent de pozitia conductei de alimentare cu ajutorul furtunului de alimentare ce poate fi atasat la 4 puncte: fata, spate, stanga sau dreapta.
EasyConnect
Furtun pneumatic care se conecteaza foarte simplu cu celelalte elemente, fara a fi necesare masuratori sau taierea furtunului pana la lungimea corecta.
Waste Valve
Montarea instalatiei se realizeaza usor, prin valva unica de scurgere pentru toate modurile de spalare: simpla, dubla sau start&stop.
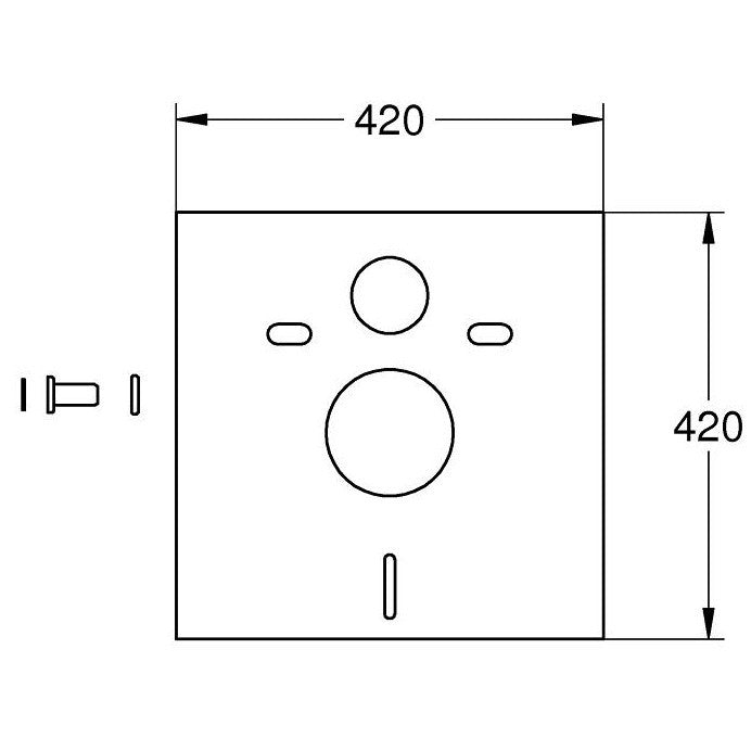
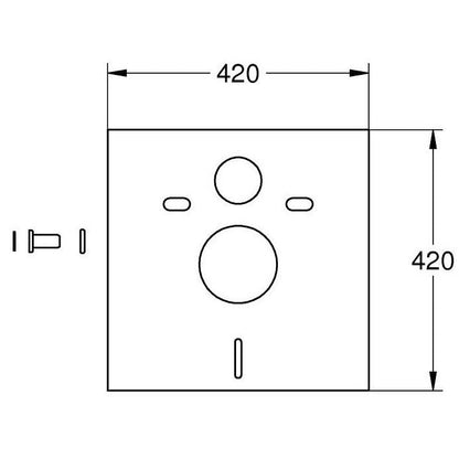
2. Set Izolatie fonica (37131000)
Set de izolare fonica pentru vas WC
Dimensiuni: 420xH420 mm
Finisaj: alb
3. Sistem fixare cadru pe perete (3855800M)
Ajustare verticala de echilibru: 130-230 mm
Finisaj: crom
Caracteristici:
- placare pentru una sau mai multe instalari
- elemente de fixare
- 2 piese