
Descriere produs:
Set format din:
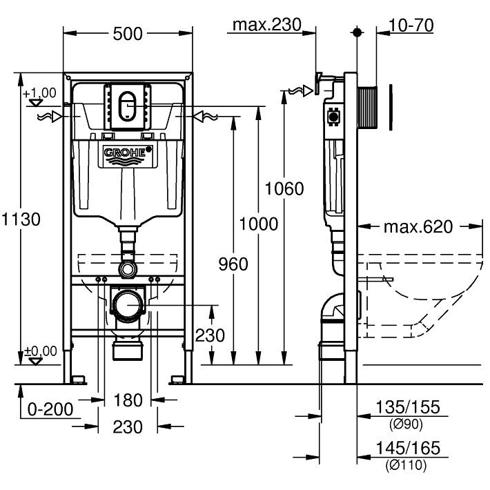
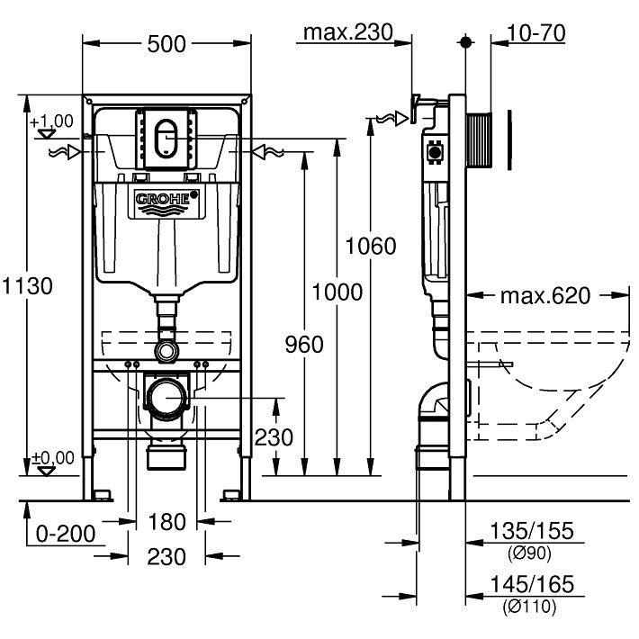
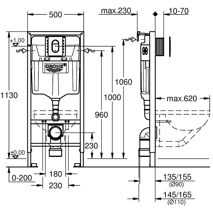
1. Grohe Rapid SL Rezervor incastrat WC cu cadru, H113 cm (cod 38528001)
Dimensiuni: 500xH1130 mm
Diametru reductor: Ø90/110 mm
Material cadru: otel
Caracteristici:
- instalare: pe perete sau pereti de compartimentare
- cadru autoportant
- placare uscata, complet preasamblat
- racorduri fixe
- ajustare rapida, blocabila
- elemente de fixare
- 2 bolturi de fixare pentru WC
- dispozitiv de fixare pentru ceramica
- cot de iesire: Ø90 mm
- adancime ajustabila
- set alimentare si evacuare
- volum setat din fabrica: 6/3 l
- ventil pneumatic de evacuare cu 3 moduri de operare: spalare lunga/scurta si start/stop
- alimentare cu apa: lateral (stanga/dreapta) sau spate
- izolat impotriva condensului
- grup acustic: I
- conexiune ½
- furtun flexibil filetat
- montaj gura de vizitare: orizontal/vertical
Caracteristici si Tehnologii Grohe:
Whisper
Tehnologie inovatoare care impiedica orice transmitere a sunetului in incaperile alaturate, prin nivel de zgomot redus la numai 21 dB
EcoJoy
Tehnologie de economisire a apei pana la 50% prin sistemul de spalare prevazut cu 2 butoane pentru selectia volumului de apa: 3/6 litri sau 3/4.5 litri (in functie de corpul ceramic) si posibilitatea opririi fluxului de apa prin apasarea butonului mic a placii de actionare
Spare Flush
Volum de spalare suplimentar de 3 litri, fata de volumul obinuit de 6 litri (sau 4.5 in functie de corpul ceramic), asigura o spalare eficienta, chiar si in cazul cladirilor cu instalatii sanitare vechi
ToolFree
Conectare usoara a sistemului, nefiind necesare unelte pentru conexiune la apa, furtun flexibil si arbore de inspectie
QuickFix
Sistem de instalare rapid
Safety
Stabilitatea sistemelor de instalare Rapid SL pentru toalete si lavoare, au fost testate si autorizate, garantand siguranta si capacitatea de a sustine sarcini de peste 400 kg (vase WC), respectiv pana la 150 kg (lavoare)
Universal Platform
Placa de baza ce ofera compatibilitate cu toate placile de actionare Grohe (peste 130 de modele), acestea putand fi instalate vertical sau orizontal, fara a fi necesar utilizarea uneltelor
VarioPort
Conexiune la apa indiferent de pozitia conductei de alimentare cu ajutorul furtunului de alimentare ce poate fi atasat la 4 puncte: fata, spate, stanga sau dreapta
EasyConnect
Furtun pneumatic care se conecteaza foarte simplu cu celelalte elemente, fara a fi necesare masuratori sau taierea furtunului pana la lungimea corecta
Waste Valve
Montarea instalatiei se realizeaza usor, prin valva unica de scurgere pentru toate modurile de spalare: simpla, dubla sau start&stop
2.Grohe Rapid SL Sistem de fixare cadru pe perete (cod 3855800M)
Ajustare verticala de echilibru: 130-230 mm
Finisaj: crom
Caracteristici:
- placare pentru una sau mai multe instalari
- elemente de fixare
- 2 piese
3.Grohe Skate Air S Placa de actionare WC Dual Flush, crom (cod 37965000)
Finisaj: crom StarLight
Dimensiuni: 130xH172 mm
Material: ABS
Caracteristici:
- mecanism cu dubla actionare (dual flush)
- functie start&stop
- instalare verticala
- suport magnetic
- pentru ventil de evacuare pneumatic AV1
- set de fixare inclus
Tehnologii Grohe:
StarLight
Suprafata cu finisaj cromat asigura luciu superior pe termen indelungat, rezistenta la zgarieturi si permite curatarea usoara a acesteia
EcoJoy
Tehnologie de economisire a apei pana la 50% prin sistemul de spalare prevazut cu 2 butoane pentru selectia volumului de apa: 3/6 litri sau 3/4.5 litri (in functie de corpul ceramic) si posibilitatea opririi fluxului de apa prin apasarea butonului mic a placii de actionare