
Descriere produs:
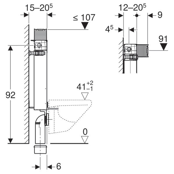
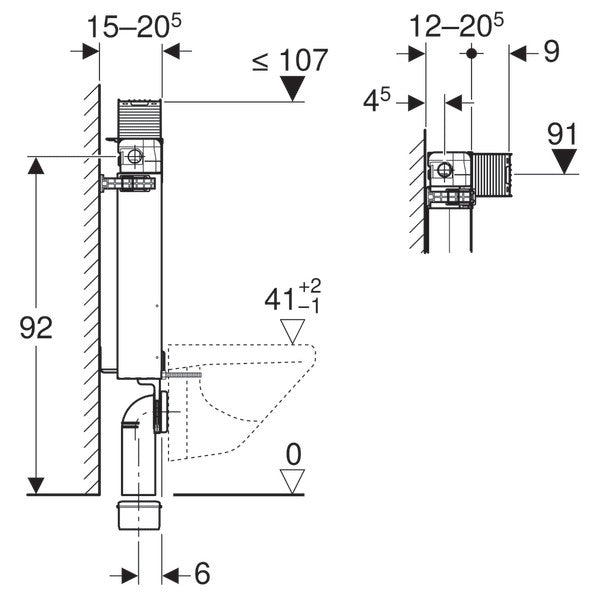
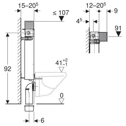
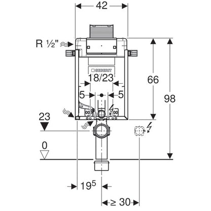
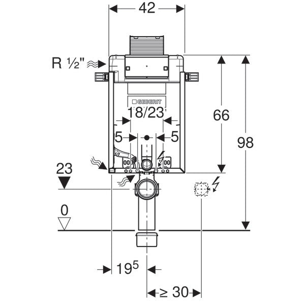
Dimensiuni: 420xH980 mm
Adancime reglabilă: 120–205 mm
Montaj: pentru pereţi zidiţi
Caracteristici:
- pentru montare in instalatii aplicate la inaltimea piesei
- pentru vase WC suspendate cu dimensiuni de racordare conform EN 33:2011
- pentru spălare cu două volume de apă
- cadru de fixare vopsit in camp electrostatic
- patru coturi de fixare
- cot de conectare
- colier de fixare
- rezervor incastrat cu actionare de sus sau din fata
- izolaţie împotriva condensului
- instalare si intretinere fara unelte a rezervorului incastrat,
- alimentarea cu apa, lateral stanga sau spate stanga
- caseta de protectie impotriva umiditatii si a murdariei
- tub de ghidaj pentru alimentarea cu apa pentru racordarea vaselor WC cu functie de bideu inclusa Geberit AquaClean
- cu posibilitate de fixare pentru doza de curent electric
Date tehnice:
- presiune de curgere 0.1-10 bar
- temperatura maximă a apei 25 °C
- setare din fabrica pentru volumul de spalare 6 si 3 l
- interval de setare pentru volum mare de spalare 4.5 / 6 / 7.5 l
- interval de setare a volumului mic de spalare 3-4 l
- calculul debitului de curgere 0.11 l/s
- presiune minima de curgere pentru calculul debitului de curgere 0.5 bar
Lista elementelor livrate:
- racord de alimentare la apa G 1/2“,
- robinet de inchidere cu actionare manuala
- caseta de protectie pentru gura de vizitare
- set de racordare pentru WC, Ø90 mm
- cot de conectare din PE-HD, Ø90 mm
- mufa de adaptare din PE-HD, Ø90/110 mm
- 2 dopuri de protectie
- 2 tije filetate M12
- material de fixare