
Descriere produs:
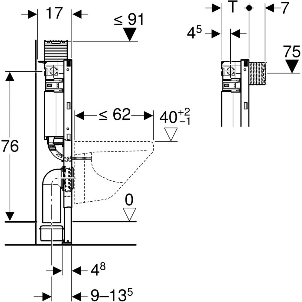
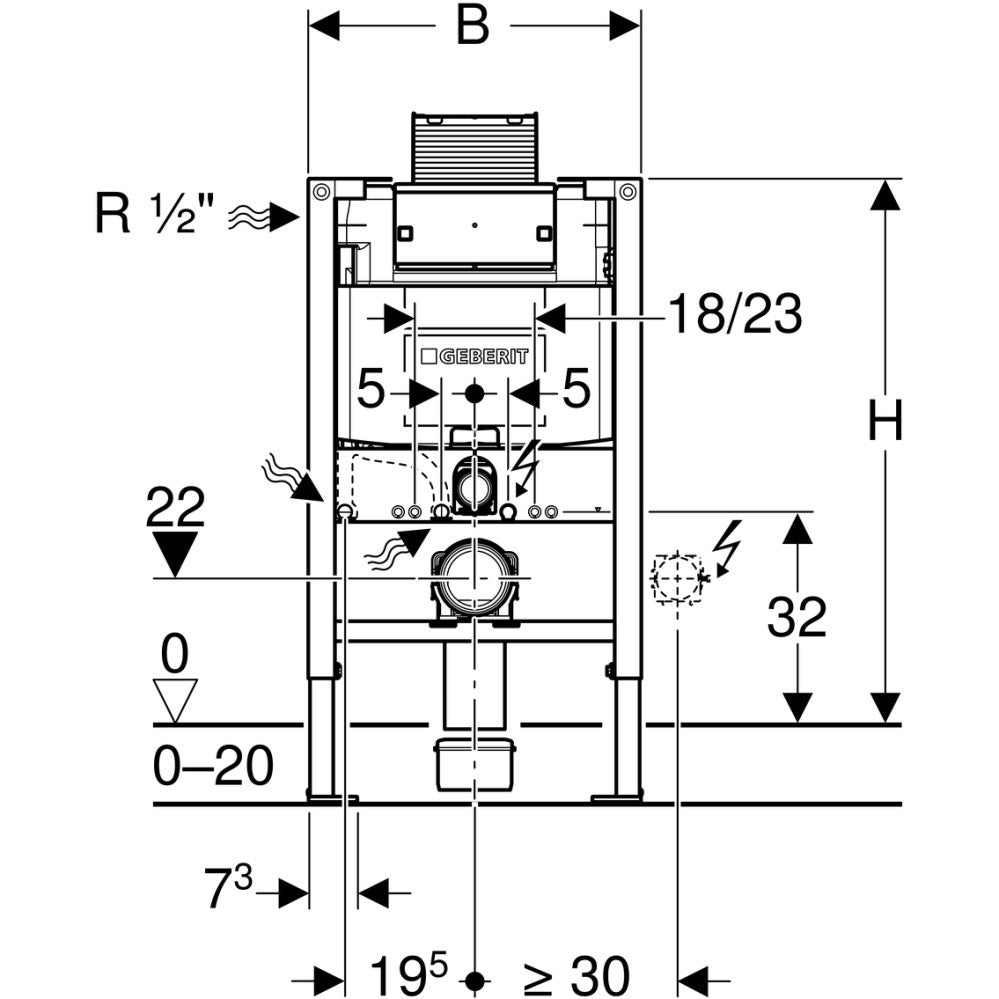
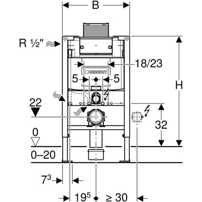
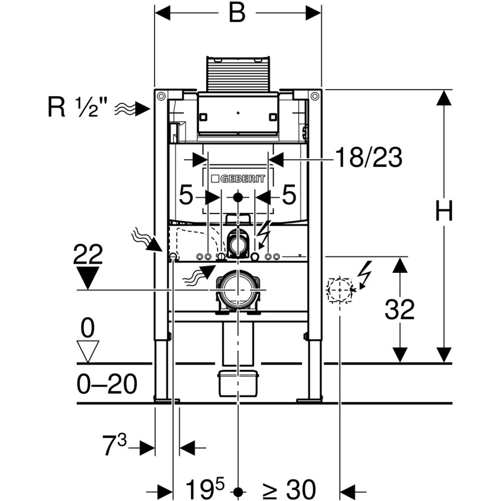
Dimensiuni:120xH820 mm
Distanta de fixare:180-230 mm
Caracteristici:
- placa de baza rotativa pentru instalarea in perete din profil gips-carton UW 50 sau UW 75U
- picior de sustinere 0-20 cm, galvanizat, aderent
- rezervor incastrat cu izolare completa impotriva condensului cu actionare frontala sau superioara
- conexiune la sursa de apa laterala, stanga sau dreapta
Include:
- teava de alimentare pentru conectarea la dispozitivele AquaClean, cu setare din fabrica: 3 si 6 l
- conectori furnizare apa R 1/2' cu robinet de trecere si ventil
- dop de protectie
- cap de protectie pentru deschiderea de service
- 2 tije filetate M12 pentru fixarea produselor din ceramica
- set conexiune WC diametrul 90 mm
- cot de evacuare pentru vas WC HDPE, diametrul 90 mm
- mufa adaptoare, diametrul 90/110 mm
- material pentru fixare
Setul de fixare se achizitioneaza separat
*Placa de actionare se achizitioneaza separat: Omega20, Omega30 sau Omega60